
Main > Product > Machine Vision Lenses > Low Distortion Macro Lens > VS-MCA Series > VS-MCA4
VS-MCA4

The VS-MCA series is especially designed to stay in focus regardless of vibration or shock. With a fixed iris and a screw lock mechanism it is able to not only deliver a high quality image, but also maintain it though out the vision systems use.

| Model | VS-MCA4 | |||
|---|---|---|---|---|
| Focal Length | 4 mm | |||
| Maximum Aperture Ratio | 1: 2.0 | |||
| Optical mag. range | x 0.01 ~ × 0.04 | |||
| Optical mag. | x 0.01 | x 0.02 | x 0.04 | |
| 2/3" | - | - | - | |
| FOV (VxH mm) | 1/2" | 480.0 × 640.0 mm | 240.0 × 320.0 mm | 120.0 × 160.0 mm |
| 1/3" | 360.0 × 480.0 mm | 180.0 × 240.0 mm | 90.0 × 120.0 mm | |
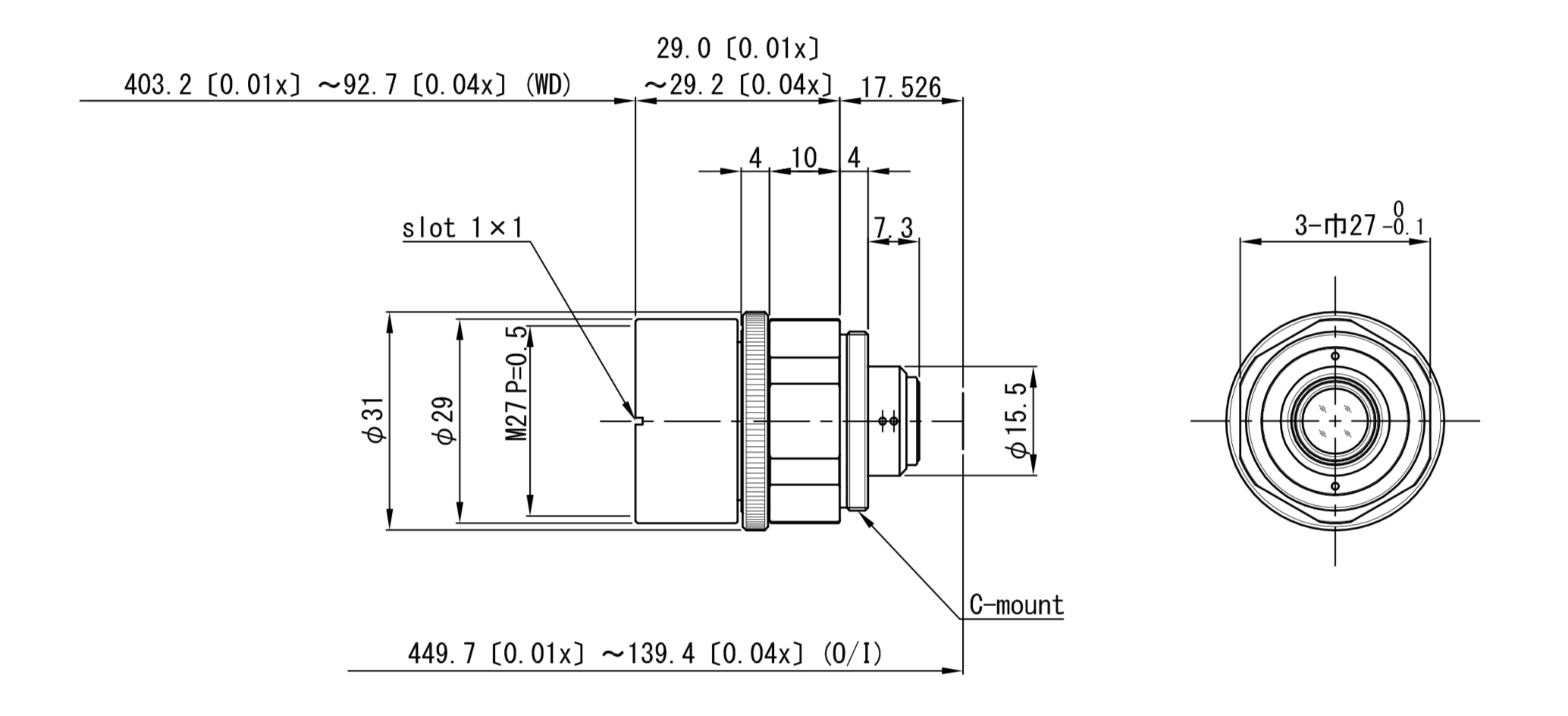
| WD | 403.2 mm | 196.2 mm | 92.7 mm | |
| O/I (Object & Imager distance) | 449.7 mm | 242.8 mm | 139.4 mm | |
| Aperture | 2.2 / 5.6 / 8 | 2 / 5.6 / 8 | 2 / 5.6 / 8 | |
| Working F/# *Value at Iris open | 2.1 / 5.7 / 8.1 | 2.1 / 5.7 /8.2 | 2.1 / 5.8 / 8.3 | |
| TV distortion | -0.23 % | -0.23 % | -0.24 % | |
| Operation of Iris & Zoom | Manual (Lock crew M2) | Manual (Lock crew M2) | Manual (Lock crew M2) | |
| Wavelength | Visible | Visible | Visible | |
| Camera mount | C-mount | |||
| Flange Back | 17.526 mm | |||
| Sensor size (max.) | 1/2" | |||
| Filter Thread | M 27 P= 0.5 | |||
| Weight (approx.) | 44 g | |||
| Dimension | Φ 31 (MAX) × | L = 29 (X0.01) | ~ 29.2 (X0.04) mm |




