
Main > Product > Machine Vision Lenses > Low Distortion Macro Lens > VS-MC Fixed Magnification Models > VS-MC03-100
VS-MC03-100
VS-MC series made to cover a reasonably wide magnification range with almost 0% distortion.Its compact size, in combination with an optical mirror or prism, effectively allows you to place your camera in a convenient location for your application.

| Model | VS-MC03-100 | |
|---|---|---|
| Optical mag. | × 0.3 ± 5 % | |
| Focal Length | 27.5 mm | |
| 2/3" | 23.7 x 28.0mm | |
| FOV (VxH mm) | 1/2" | 16.0 x 21.30 mm |
| 1/3" | 12.0 x 16.0mm | |
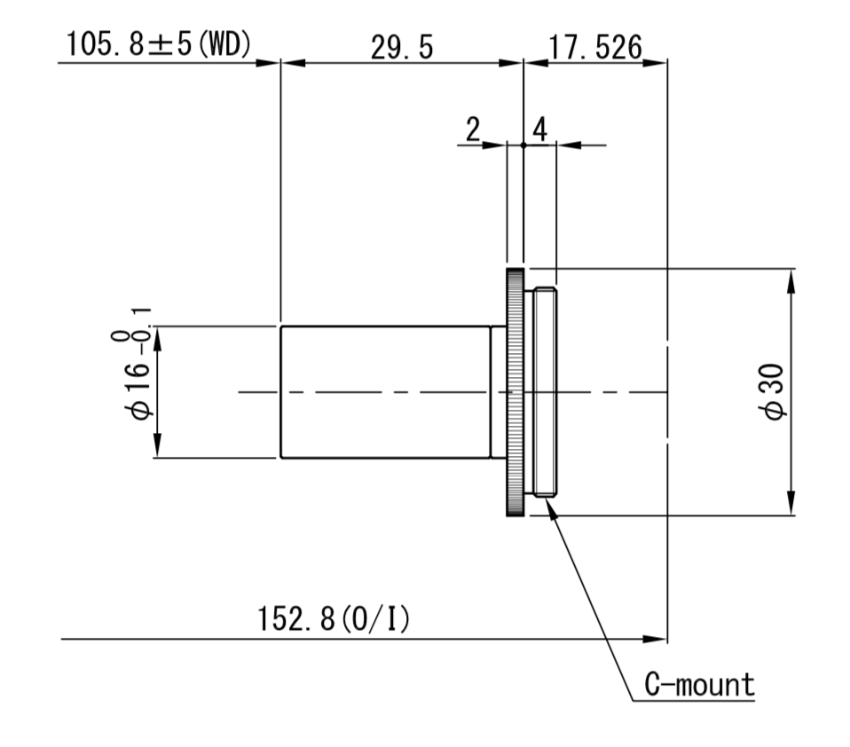
| WD | 105.8 mm ± 5 | |
| O/I (Object & Imager distance) | 152.8 mm | |
| Working F/# | 5.2 | |
| NA | 0.029 | |
| DOF at PCoC φ0.04mm | 4.6 mm | |
| TV distortion | 0.00 % | |
| Relative Illuminance (Y=5.5) | 94 % | |
| Wavelength | Visible | |
| Camera mount | C-mount | |
| Flange Back | 17.526 mm | |
| Sensor size (max.) | 2/3" | |
| Weight (approx.) | 16 g | |
| Dimension | Φ 30 (MAX) × L = 29.5 mm |





