
Main > Product > Machine Vision Lenses > Low Distortion Macro Lens > VS-MC Fixed Magnification Models > VS-MC05-90
VS-MC05-90

VS-MC series made to cover a reasonably wide magnification range with almost 0% distortion.Its compact size, in combination with an optical mirror or prism, effectively allows you to place your camera in a convenient location for your application.
| Model | VS-MC05-90 | |
|---|---|---|
| Optical mag. | × 0.5 ± 5 % | |
| Focal Length | 33.7 mm | |
| 2/3" | 14.2 x 16.8 mm | |
| FOV (VxH mm) | 1/2" | 9.2 x 12.8 mm |
| 1/3" | 7.2 x 9.6 mm | |
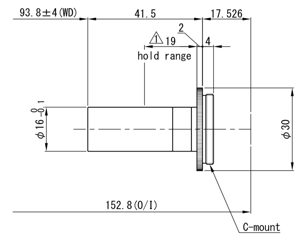
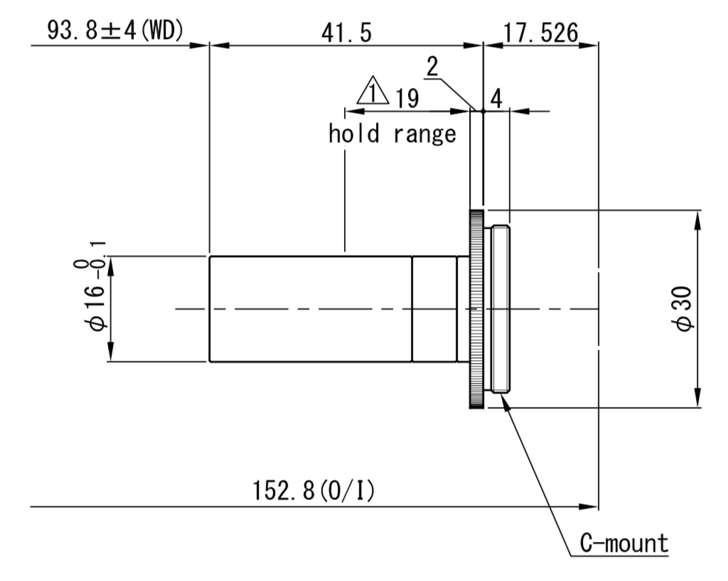
| WD | 93.8mm ±4 | |
| O/I (Object & Imager distance) | 152.8 mm | |
| Working F/# | 6.1 | |
| NA | 0.041 | |
| DOF at PCoC φ0.04mm | 2.0 mm | |
| TV distortion | 0.00 % | |
| Relative Illuminance (Y=5.5) | 95 % | |
| Wavelength | Visible | |
| Camera mount | C-mount | |
| Flange Back | 17.526 mm | |
| Sensor size (max.) | 2/3" | |
| Weight (approx.) | 18 g | |
| Dimension | Φ 30 (MAX) ×L = 41.5 mm |





