VS-MC075-100
Fixed & Variable Magnification Macro Lenses

Main > Product > Machine Vision Lenses > Low Distortion Macro Lens > VS-MC Fixed Magnification Models > VS-MC075-100
VS-MC075-100

VS-MC series made to cover a reasonably wide magnification range with almost 0% distortion.Its compact size, in combination with an optical mirror or prism, effectively allows you to place your camera in a convenient location for your application.
| Model | VS-MC075-100 | |
|---|---|---|
| Optical mag. | ×0.75 ± 5 % | |
| Focal Length | 43.9 mm | |
| 2/3" | 9.5 x 11.2 mm | |
| FOV (VxH mm) | 1/2" | 6.4 x 8.5 mm |
| 1/3" | 4.8 x 6.4 mm | |
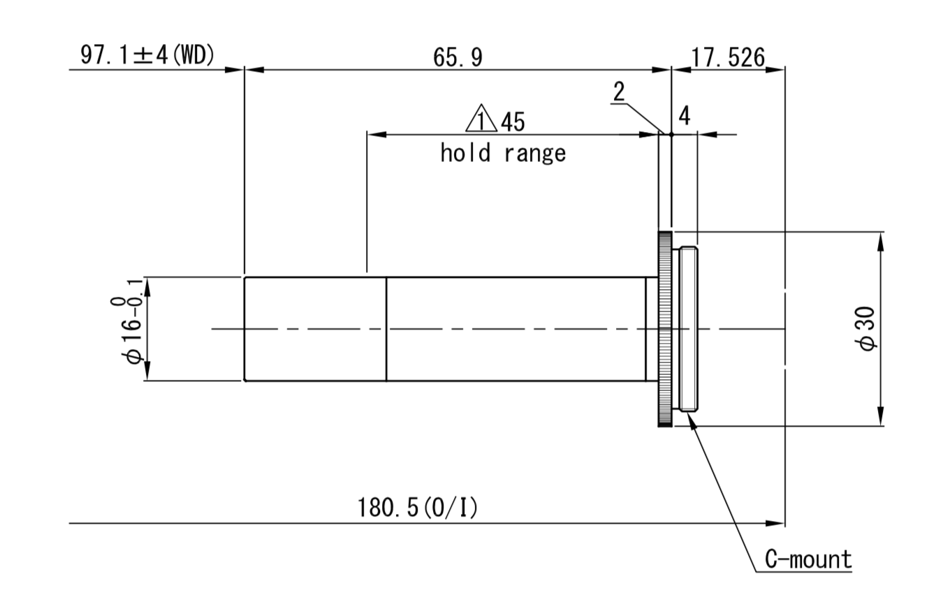
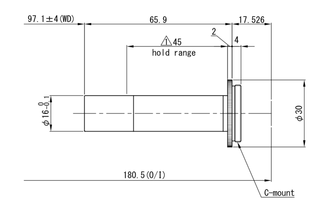
| WD | 97.1mm ±4 | |
| O/I (Object & Imager distance) | 180.5 mm | |
| Working F/# | 7.1 | |
| NA | 0.053 | |
| DOF at PCoC φ0.04mm | 1.0 mm | |
| TV distortion | 0.00 % | |
| Relative Illuminance (Y=5.5) | 97 % | |
| Wavelength | Visible | |
| Camera mount | C-mount | |
| Flange Back | 17.526 mm | |
| Sensor size (max.) | 2/3" | |
| Weight (approx.) | 23 g | |
| Dimension | Φ 30 (MAX) ×L = 65.9mm |





